Магазин запчастей для бытовой техники - Arlos
Москва
close
Выберите ваш регион
АбаканАлександровАльметьевскАнгарскАрзамасАрмавирАртемАрхангельскАстраханьАчинскБалаковоБалашихаБеларусьБелгородБердскБерезникиБийскБлаговещенскБратскБрянскВеликий НовгородВидноеВладивостокВладикавказВладимирВолгоградВолгодонскВолжскийВологдаВолховВоркутаВоронежВоскресенскВыборгГатчинаГеленджикГрозныйДедовскДербентДзержинскДзержинскийДимитровградДмитровДолгопрудныйДомодедовоДонецкЕвпаторияЕгорьевскЕкатеринбургЕлецЕссентукиЖелезногорскЖелезнодорожныйЖуковскийЗеленоградЗлатоустИвановоИвантеевкаИжевскИркутскИстраЙошкар-ОлаКазаньКалининградКалугаКаменск-УральскийКамышинКаспийскКемеровоКерчьКировКисловодскКлинКовровКоломнаКомсомольск-на-АмуреКопейскКоролёвКостромаКотельникиКрасногорскКраснодарКраснознаменскКрасноярскКурганКурскКызылЛенинск-КузнецкийЛипецкЛобняЛыткариноЛюберцыМагнитогорскМайкопМалаховкаМахачкалаМиассМоскваМурманскМуромМытищиНабережные ЧелныНазраньНальчикНаро-ФоминскНахабиноНаходкаНевинномысскНефтекамскНефтеюганскНижневартовскНижнекамскНижний НовгородНижний ТагилНовокузнецкНовокуйбышевскНовомосковскНовороссийскНовосибирскНовоуральскНовочебоксарскНовочеркасскНовошахтинскНовый УренгойНогинскНорильскНоябрьскОбнинскОдинцовоОктябрьскийОмскОрелОренбургОрехово-ЗуевоОрскПавловский ПосадПензаПервоуральскПермьПетрозаводскПетропавловск-КамчатскийПодольскПрокопьевскПсковПушкиноПятигорскРаменскоеРеутовРостов-на-ДонуРубцовскРыбинскРязаньСакиСалаватСамараСанкт-ПетербургСаранскСаратовСевастопольСеверодвинскСеверскСергиев ПосадСерпуховСимферопольСмоленскСосновый БорСочиСтавропольСтарый ОсколСтерлитамакСтупиноСургутСызраньСыктывкарТаганрогТамбовТверьТихвинТольяттиТомилиноТомскТроицкТулаТюменьУлан-УдэУльяновскУссурийскУсть-ИлимскУфаУхтаФеодосияФрязиноХабаровскХанты-МансийскХасавюртХимкиЧебоксарыЧелябинскЧереповецЧеркесскЧеховЧитаШахтыЩелковоЭлектростальЭлистаЭнгельсЮжно-СахалинскЯкутскЯлтаЯрославль
  • - бесплатно по РФ
    Автоперезвон. Работает по принципу: Вы позвонили на номер, мы сбрасываем звонок и перезваниваем через 3 секунды.
  • - по Москве
  • 8 (925) 663-83-63

Call-центр

пн-вс: 10:00-19:00

Мотоблок бензиновый с ВОМ МТШ-700

Данная модель имеет несколько схем

NАртикулНазваниеСрок отгрузкиЦенаКупить
1.01 N000-035-855 Выключатель 464 р.
1.02 N000-035-856 Трос дросселя L=1665 d=1.5 835 р.
1.03,12 N000-035-990 Трос дифференциала L=1660 d=2 1.877 р.
1.04 N000-029-665 Рычаг газа 369 р.
1.05 N000-029-661 Рычаг привода сцепления (заднего хода) 886 р.
1.07 N000-029-662 Ручка резиновая
1.08 N000-029-819 Рычаг привода сцепления 619 р.
1.09 N000-035-864 Трос сцепления L=1410 d=1.5 468 р.
1.09 N000-035-864-2 Трос сцепления V2
1.10 N000-035-861 Трос реверса L=1450 d=2 488 р.
1.13 N000-035-757 Руль
1.14 N000-035-849 Палец стопорный D16х124 со шплинтом 324 р.
1.16 N000-035-755 Кронштейн сцепки V1
1.20 N000-035-748-2 Шестерня центральная V2
1.20 N000-035-748 Шестерня центральная
1.23 N000-035-774 Сошник L520x12 1.402 р.
1.28 N000-035-874 Опора крепления руля
1.28 N000-035-874-2 Опора крепления руля V2
1.33 N000-035-953 Редуктор с коробкой передачь в сборе 29.092 р.
1.33 N000-035-953-2 Редуктор с коробкой передачь в сборе V2
1.34 N000-035-787 Крыло левое прямое
1.39 N000-035-872 Рама задняя
1.39 N000-035-872-2 Рама задняя V2
1.40 N000-035-792 Планка крыльев соединительная задняя
1.40 N000-035-792-2 Планка крыльев соединительная задняя V2
1.41 N000-035-801 Крыло левое дополнительное прямое
1.45 N000-035-797 Колесо в сборе левое 5.00-12
1.46 N000-035-799 Ось колесная 32 мм 936 р.
1.47 N000-045-549 Палец 8х50 в сборе со шплинтом
1.53 N000-045-550 Рама двигателя левая
1.53 N000-045-551 Рама двигателя правая
1.53 N000-035-806 Рама двигателя цельная
1.54 N000-035-807 Опора-стойка 1.522 р.
1.55 N000-035-809 Планка соединительная крыльев передняя правая
1.55 N000-035-809-2 Планка соединительная крыльев передняя правая V2
1.56 N000-035-810 Планка соединительная крыльев передняя левая
1.56 N000-035-810-2 Планка соединительная крыльев передняя левая V2
1.58 N000-035-812 Крыло правое дополнительное прямое
1.59 N000-035-814 Колесо в сборе правое 5.00-12
1.64 N000-035-954 Двигатель 38.791 р.
1.65 N000-035-820 Палец стопорный D5х30 со шплинтом 97 р.
1.67 N000-035-823 Крыло правое прямое
1.67 N000-035-823-2 Крыло правое прямое V2
1.70 N000-035-731 Вороток с ручкой и с резьбой М16
1.71 N000-035-733 Ручка переключения передач
1.72 N000-035-735 Ручка резиновая
1.74 N000-035-751 Вороток с резьбой М20
1.78 N000-035-740 Нож фрезы левый 257 р.
1.79 N000-035-742 Нож фрезы правый 257 р.
1.80 N000-035-840 Ось (1 фреза) 32 мм
1.81 N000-035-955 Ось (4 фрезы) 32 мм
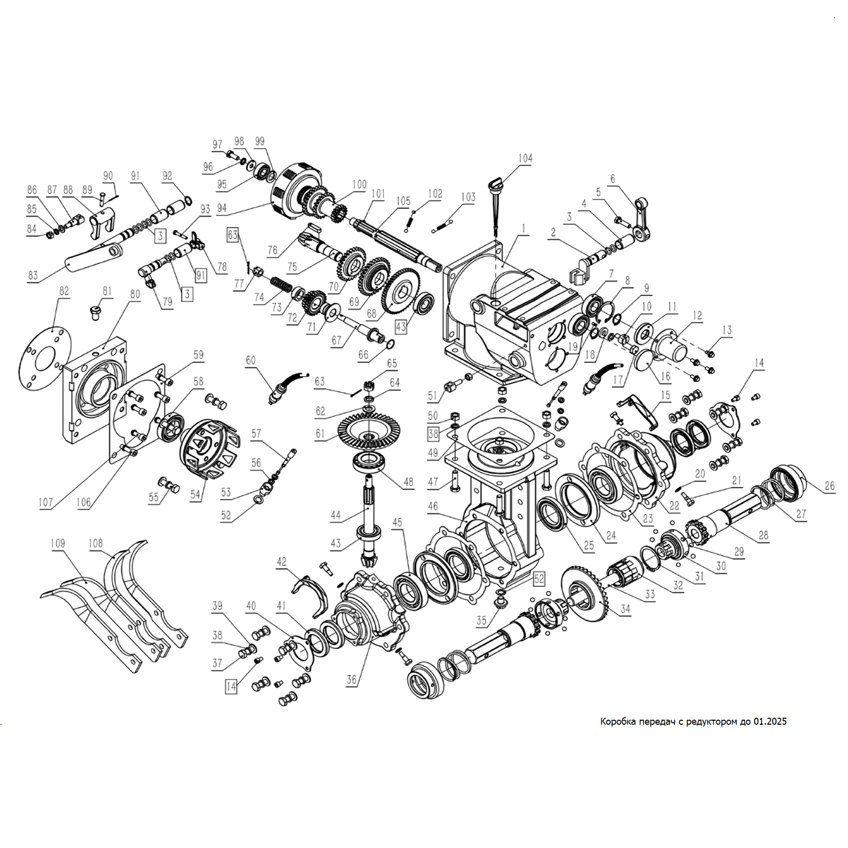
2.001 N000-035-957 Корпус коробки передач 6.299 р.
2.002 N000-035-958 Вал переключения передач 529 р.
2.003 N000-035-934 Кольцо резиновое уплотнительное O-типа D11.2хh2.65
2.004 N000-035-916 Втулка переключения передач 16×20×35.5
2.006 N000-035-936 Рычаг переключения передач
2.007 N000-018-171 Подшипник шариковый 6204-2RS (47х20х14) FX 412 р.
2.008 N000-035-959 Кольцо стопорное разжимное D47
2.009 N000-035-960 Кольцо стопорное разжимное D20
2.010 N000-035-938 Фиксатор троса сцепления
2.011 N000-035-961 Сальник D47хd20х7
2.012 N000-035-962 Крышка защитная
2.015 N000-035-963 Вилка левая
2.016 N000-035-964 Уплотнение торцевое D47×h7
2.019 N000-035-927 Штифт цилиндрический D5×L10
2.020 N000-035-965 Шарик D8
2.022 N000-035-967 Крышка корпуса редуктора левая
2.023 N000-035-912 Прокладка крышка-редуктора
2.024 N000-035-968 Корпус подшипника
2.025 N000-035-969 Подшипник шариковый 16009 907 р.
2.026 N000-035-970 Колесо регулирующее
2.027 N000-035-971 Пружина
2.028 N000-035-972 Полуось
2.029 N000-035-973 Шарик D8
2.030 N000-035-974 Диск сепараторный
2.031 N000-035-975 Кольцо стопорное разжимное D50
2.032 N000-035-976 Вал шлицевой
2.033 N000-035-977 Шпиндель
2.034 N000-035-978 Шестерня коническая
2.035 N000-035-942 Болт M12х1.25х12 сливной
2.036 N000-035-979 Крышка корпуса редуктора правая
2.040 N000-035-980 Крышка выходного вала
2.041 N000-035-981 Сальник D62хd40х8
2.042 N000-035-982 Вилка правая
2.043 N000-035-900 Подшипник конический роликовый 30204
2.044 N000-035-983 Вал конический зубчатый
2.045 N000-035-984 Подшипник шариковый 6208
2.046 N000-035-985 Корпус редуктора
2.048 N000-035-910 Подшипник конический роликовый 30206
2.049 N000-035-925 Прокладка редуктор-коробка
2.051 N000-035-937 Фиксатор троса реверса
2.052 N000-035-986 Прокладка пластиковая
2.054 N000-035-906 Корзина муфты сцепления
2.056 N000-035-987 Сальник D30хd17х7
2.057 N000-035-988 Соединитель
2.058 N000-035-898 Подшипник шариковый 6007
2.059 N000-035-989 Прокладка фланец-коробка 156 р.
2.061 N000-035-991 Шестерня ведомая коническая
2.065 N000-035-922 Гайка шестигранная корончатая M12
2.066 N000-035-929 Кольцо резиновое уплотнительное O-типа D18хh1.8
2.067 N000-035-992 Вал передачи заднего хода
2.068 N000-035-993 Шестерня ведомая первой передачи
2.069 N000-035-994 Шестерня ведомая второй передачи
2.070 N000-035-995 Шестерня ведомая третьей передачи
2.071 N000-035-996 Пластина обратная нажимная
2.072 N000-035-997 Шестерня двойная заднего хода
2.073 N000-035-998 Шайба шестерни заднего хода 12.5×28×13
2.074 N000-035-999 Пружина 2×44
2.075 N000-036-000 Вал промежуточный
2.077 N000-035-923 Гайка шестигранная корончатая M10
2.078 N000-035-915 Вилка заднего хода
2.079 N000-035-914 Вал вилки заднего хода
2.080 N000-036-001 Фланец двигателя 13 л.с.
2.081 N000-035-907 Болт M12х1.25х20 сброса давления
2.082 N000-036-002 Прокладка фланец-двигатель 121 р.
2.083 N000-035-913 Вал вилки сцепления
2.087 N000-035-928 Фиксатор троса сцепления
2.088 N000-035-935 Вилка сцепления
2.091 N000-035-917 Втулка сцепления 16×20×31.5
2.092 N000-035-949 Кольцо стопорное разжимное D16
2.094 N000-035-948 Муфта фрикционная сцепления 3.103 р.
2.095 N000-006-326 Подшипник шариковый 6202 открытый (35х15х11) CCEB 341 р.
2.100 N000-036-003 Шестерня активная
2.101 N000-035-918 Кольцо стопорное разрезное D25
2.102 N000-035-905 Шарик D6.35
2.103 N000-035-904 Пружина D6×h18×d1
2.104 N000-036-004 Пробка-щуп
2.105 N000-036-005 Вал главный
2.108 N000-036-006 Нож фрезы левый
2.109 N000-036-007 Нож фрезы правый
2.110 N000-036-189 Коробка передач в сборе (без редуктора)
2.111 N000-036-192 Редуктор в сборе (без коробки передач)
3.001 N000-035-957-2 Корпус коробки передач V2
3.002 N000-035-958-2 Вал переключения передач V2
3.003 N000-035-934-2 Кольцо резиновое уплотнительное O-типа 11×2.8
3.004 N000-035-916-2 Втулка переключения передач 16×20×30.5
3.006 N000-035-936-2 Рычаг переключения передач V2
3.015 N000-035-963-2 Вилка переключения передач V2
3.022 N000-035-967-2 Крышка корпуса редуктора V2
3.023 N000-035-912-2 Прокладка крышка-редуктора V2
3.025 N000-045-552 Подшипник шариковый 16013
3.026 N000-035-970-2 Колесо регулирующее V2
3.028 N000-035-972-2 Полуось V2
3.030 N000-035-974-2 Вал шлицевой V2
3.031 N000-045-553 Кольцо стопорное D70
3.034 N000-035-978-2 Шестерня коническая V2
3.040 N000-035-980-2 Крышка пылезащитная V2
3.041 N000-045-554 Сальник D62хd35х8
3.042 N000-035-982-2 Вилка сцепления V2
3.044 N000-035-983-2 Вал конической шестерни V2
3.046 N000-035-985-2 Корпус редуктора V2
3.052 N000-045-555 Кольцо резиновое уплотнительное O-типа 10.2×2.65
3.056 U592-400-090 Сальник D14хd8х4 280 р.
3.057 N000-035-988-2 Соединитель V2
3.059 N000-035-989-2 Прокладка фланец-коробка V2
3.061 N000-035-991-2 Шестерня ведущая коническая V2
3.068 N000-035-993-2 Шестерня двойная промежуточного вала V2
3.072 N000-035-997-2 Шестерня двойная заднего хода V2
3.074 N000-045-556 Подшипник игольчатый роликовый K20×24×17
3.075 N000-036-000-2 Вал промежуточный V2
3.080 N000-036-001-2 Фланец двигателя 13лс
3.094 N000-035-948-2 Муфта фрикционная V2
3.103 N000-045-557 Пружина
3.104 N000-036-004-2 Пробка заливного отверстия
3.105 N000-036-005-2 Вал главный V2
3.112 N000-045-558 Прокладка задней крышки
3.114 N000-045-559 Крышка задняя
3.115 N000-045-560 Вал переключения передач
3.117 N000-045-561 Штифт 10×12×13
3.122 N000-009-927 Подшипник шариковый 6203 открытый (40х17х12) C&U 571 р.
3.123 N000-045-562 Шестерня двойная 1
3.124 N000-045-563 Втулка распорная
3.125 N000-045-564 Шестерня двойная 2
3.126 N000-045-565 Вал
3.127 N000-006-557 Подшипник шариковый 6305-2RS (62x25x17) 2.233 р.
3.128 N000-045-566 Кольцо стопорное D25
3.129 N000-035-899 Подшипник упорный шариковый 51104
3.130 N000-037-907 Подшипник 6004-2RSH 578 р.
4.02 N000-035-857 Стартер ручной в сборе 1.608 р.
4.03 N000-035-859 Кожух маховика
4.05 N000-035-860 Стакан храповика стартера
4.06 N000-035-862 Крыльчатка маховика
4.07 N000-035-863 Маховик
4.09 N000-035-865 Магнето 1.597 р.
4.10 N000-035-866 Сальник коленвала D52xd35xh8 92 р.
4.11 N000-035-867 Болт-пробка слива масла ДВС
4.12 N000-035-848 Шайба болта для слива масла
4.13 N000-029-852 Реле датчика масла
4.14 N000-035-850 Зажим
4.15 N000-036-177 Картер
4.16 N000-035-852 Датчик уровня масла поплавковый
4.18 N000-036-178 Коленвал
4.19 N000-036-179 Распредвал
4.20 N000-035-858 Тарелка толкателя
4.21 N000-035-868 Толкатель клапана
4.22 N000-035-869 Втулка D8хh14
4.23 N000-035-870 Прокладка крышки картера 92 р.
4.24 N000-035-871 Регулятор центробежный в сборе
4.25 N000-035-873 Подшипник коленвала
4.26 N000-035-875 Крышка картера
4.27 N000-035-876 Крышка-щуп маслозаливной горловины
4.28 N000-035-877 Крышка маслозаливной горловины
4.31 N000-035-786 Фильтр воздушный в сборе
4.32 N000-035-788 Прокладка под корпус воздушного фильтра
4.33 N000-035-789 Шланг сапуна
4.34 N000-036-180 Карбюратор 2.866 р.
4.35 N000-035-791 Прокладка под карбюратор
4.37 N000-035-793 Шланг топливный L200 D8/d4
4.38 N000-035-794 Теплоизолятор
4.39 N000-035-795 Шпилька крепления карбюратора
4.40 N000-035-796 Прокладка под теплоизолятор
4.41 N000-035-798 Экран теплозащитный
4.42 N000-035-800 Прокладка глушителя
4.44 N000-035-803 Труба выхлопная
4.46 N000-035-804 Прокладка трубы глушителя
4.47 N000-035-805 Глушитель
4.51 N000-035-808 Бак топливный в сборе с фильтром и крышкой 2.029 р.
4.53 N000-035-811 Крышка клапанная
4.54 N000-035-813 Прокладка крышки клапанов
4.55 N000-035-815 Коромысла в сборе
4.56 N000-035-816 Направляющая толкателей
4.57 N000-035-817 Колпачек клапана
4.58 N000-035-818 Сухарь выпускного клапана
4.59 N000-035-819 Сухарь впускного клапана
4.60 N000-035-821 Пружина клапана
4.61 N000-036-181 Клапан впускной
4.62 N000-035-824 Клапан выпускной
4.63 N000-035-826 Колпачек маслосъемный
4.64 N000-001-726-2 Свеча зажигания F7TC для газонокосилок 383 р.
4.65 N000-035-827 Уплотнение впускного клапана
4.67 N000-036-182 Головка цилиндра
4.68 N000-035-829 Втулка D12хh20
4.69 N000-036-183 Прокладка головки цилиндра
4.70 N000-036-184 Кольца поршневые (набор)
4.71 N000-035-832 Кольцо стопорное поршневого пальца
4.72 N000-036-185 Поршень
4.73 N000-035-834 Палец поршневой
4.75 N000-036-186 Шатун в сборе
4.76 N000-035-836 Основание рычага реулировки оборотов
4.77 N000-035-837 Пружина рычага регулятора
4.78 N000-035-839 Тяга рычага регулятора
4.79 N000-035-841 Пружина тяги
4.80 N000-035-842 Рычаг регулировки оборотов
4.83 N000-035-843 Уплотнение вала рычага регулятора 8×14×5
4.84 N000-035-844 Шайба вала рычага регулятора
4.85 N000-035-845 Вал регулятора оборотов
4.86 N000-035-846 Элемент фильтрующий
4.88 N000-035-847 Вал балансировочный
Найдено товаров: 248
1
▲ Наверх
0
8 (925) 663-83-63

Call-центр

пн-вс: 10:00-19:00

НАЙТИ ПО МОДЕЛИ
Введите номер заказа
Введите номер своего заказа, что бы узнать его текущий статус.
Что бы получить доступ к расширенным функциям, пройдите не сложную регистрацию. Зарегистрироваться